SAE承插焊接法兰 无槽
sae-straight-counter-4-bolt-flange-socket-weld
型号: 12TCHJ3
¥0.00
库存:
SAE承插焊接法兰 无槽 产品明细
当前选择:12TCHJ3
压力等级:3000PSI
SAE承插焊接法兰 无槽产品详情
暂无详细描述
SAE承插焊接法兰 无槽规格尺寸对照表
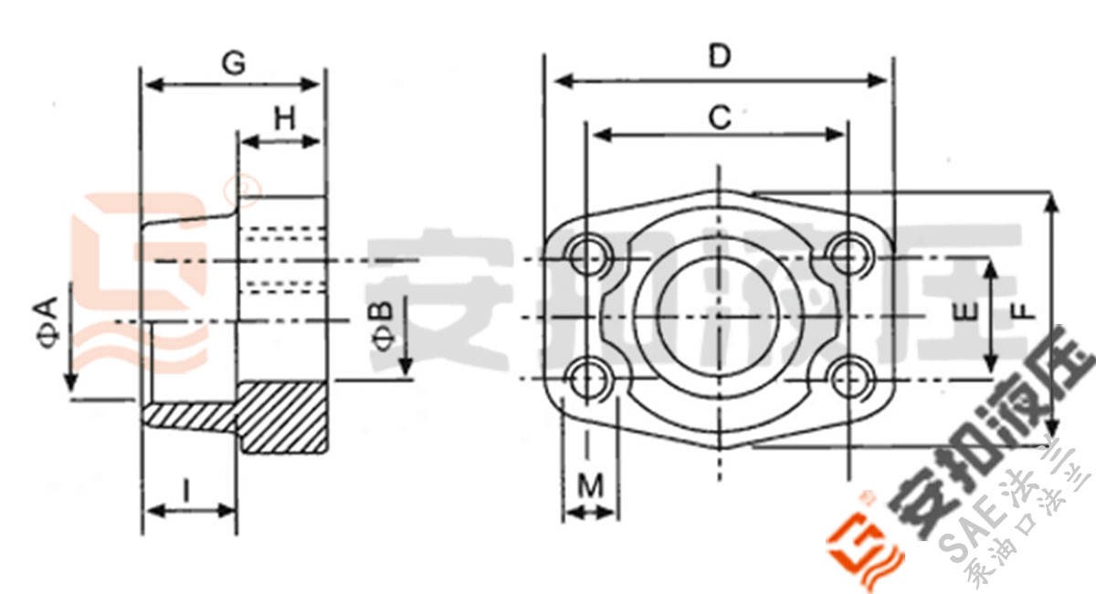
SAE承插焊接法兰 无槽产品图纸
12TCHJ3 型号说明:
暂无型号说明
Ordering code: 订货说明
| Carbon steel 碳钢 | Stainless steel 不锈钢 | |
|---|---|---|
|
Flange only 只有法兰
|
SAE承插焊接法兰 无槽 - 3000PSI
| Normal Size inch |
编号 Type |
尺寸 Measurement | 单重 kg |
最大工作 压力 Kg/cm² |
|||||||||
|---|---|---|---|---|---|---|---|---|---|---|---|---|---|
| A | B | C | D | E | F | G | H | I | M | ||||
| 3/4" | 12TCHJ3 | 27.20 | 19.00 | 47.63 | 65 | 22.23 | 50.00 | 36.00 | 18.00 | 19.00 | M10 | 0.39 | 345 |
| 1" | 16TCHJ3 | 34.00 | 25.00 | 52.37 | 70 | 26.19 | 55.00 | 38.00 | 18.00 | 19.00 | M10 | 0.46 | 345 |
| 1-1/4" | 20TCHJ3 | 42.80 | 32.00 | 58.72 | 79 | 30.18 | 68.00 | 41.00 | 21.00 | 22.00 | M10 | 0.66 | 276 |
| 1-1/2" | 24TCHJ3 | 48.60 | 38.00 | 69.85 | 93 | 35.71 | 78.00 | 45.00 | 25.00 | 24.00 | M12 | 1.05 | 207 |
| 2" | 32TCHJ3 | 61.00 | 51.00 | 77.77 | 102 | 42.88 | 90.00 | 45.00 | 25.00 | 26.00 | M12 | 1.19 | 207 |
| 2-1/2" | 40TCHJ3 | 76.60 | 63.00 | 88.90 | 114 | 50.80 | 105.00 | 50.00 | 25.00 | 30.00 | M12 | 1.40 | 172 |
| 3" | 48TCHJ3 | 90.50 | 73.00 | 106.38 | 134 | 61.93 | 124.00 | 50.00 | 27.00 | 34.00 | M16 | 2.15 | 138 |
| 3-1/2" | 56TCHJ3 | 103.00 | 89.00 | 120.65 | 152 | 69.85 | 136.00 | 48.00 | 27.00 | 34.00 | M16 | 2.40 | 35 |
| 4" | 64TCHJ3 | 115.50 | 99.00 | 130.18 | 162 | 77.77 | 146.00 | 48.00 | 27.00 | 34.00 | M16 | 2.85 | 35 |
| 5" | 80TCHJ3 | 142.00 | 120.00 | 152.40 | 184 | 92.08 | 180.00 | 50.00 | 28.00 | 28.00 | M16 | 5.80 | 35 |
| 1/2" | 8TCHJ3 | 21.60 | 13.00 | 38.10 | 54 | 17.48 | 46.00 | 36.00 | 16.00 | 19.00 | M8 | 0.25 | 345 |
SAE承插焊接法兰 无槽 - 6000PSI
| Normal Size inch |
编号 Type |
尺寸 Measurement | 单重 kg |
最大工作 压力 Kg/cm² |
|||||||||
|---|---|---|---|---|---|---|---|---|---|---|---|---|---|
| A | B | C | D | E | F | G | H | I | M | ||||
| 3/4" | 12TCHJ6 | 27.20 | 19.00 | 50.80 | 71 | 23.80 | 55.00 | 36.00 | 21.00 | 22.00 | M10 | 0.50 | 400 |
| 1" | 16TCHJ6 | 34.00 | 25.00 | 57.15 | 81 | 27.76 | 65.00 | 42.00 | 25.00 | 22.00 | M12 | 0.76 | 400 |
| 1-1/4" | 20TCHJ6 | 42.80 | 32.00 | 66.68 | 95 | 31.75 | 78.00 | 45.00 | 27.00 | 25.00 | M14 | 1.20 | 400 |
| 1-1/2" | 24TCHJ6 | 48.60 | 38.00 | 79.38 | 112 | 36.50 | 94.00 | 50.00 | 30.00 | 28.00 | M16 | 1.90 | 400 |
| 2" | 32TCHJ6 | 61.00 | 51.00 | 96.82 | 134 | 44.45 | 114.00 | 65.00 | 37.00 | 32.00 | M20 | 3.45 | 400 |
| 2-1/2" | 40TCHJ6 | 76.60 | 63.00 | 123.80 | 180 | 58.73 | 152.00 | 80.00 | 45.00 | 30.00 | M24 | 8.30 | 400 |
| 3" | 48TCHJ6 | 90.50 | 73.00 | 152.40 | 208 | 71.43 | 178.00 | 90.00 | 55.00 | 30.00 | M30 | 13.50 | 400 |
| 1/2" | 8TCHJ6 | 21.60 | 13.00 | 40.49 | 54 | 18.24 | 46.00 | 36.00 | 16.00 | 19.00 | M8 | 0.26 | 400 |
SAE法兰型号对照表
19 条结果
| 规格尺寸 | 压力等级 | 型号 | 伊顿(EATON) | ANCHOR FLUID POWER Flanges | 汉莎(HANSA-FLEX) | 派克(Parker) | 西德福(STAUFF) |
|---|---|---|---|---|---|---|---|
| 12TCHJ3 | 3000PSI | 12TCHJ3 | |||||
| 16TCHJ3 | 3000PSI | 16TCHJ3 | |||||
| 20TCHJ3 | 3000PSI | 20TCHJ3 | |||||
| 24TCHJ3 | 3000PSI | 24TCHJ3 | |||||
| 32TCHJ3 | 3000PSI | 32TCHJ3 | |||||
| 40TCHJ3 | 3000PSI | 40TCHJ3 | |||||
| 48TCHJ3 | 3000PSI | 48TCHJ3 | |||||
| 56TCHJ3 | 3000PSI | 56TCHJ3 | |||||
| 64TCHJ3 | 3000PSI | 64TCHJ3 | |||||
| 80TCHJ3 | 3000PSI | 80TCHJ3 | |||||
| 8TCHJ3 | 3000PSI | 8TCHJ3 | |||||
| 12TCHJ6 | 6000PSI | 12TCHJ6 | |||||
| 16TCHJ6 | 6000PSI | 16TCHJ6 | |||||
| 20TCHJ6 | 6000PSI | 20TCHJ6 | |||||
| 24TCHJ6 | 6000PSI | 24TCHJ6 | |||||
| 32TCHJ6 | 6000PSI | 32TCHJ6 | |||||
| 40TCHJ6 | 6000PSI | 40TCHJ6 | |||||
| 48TCHJ6 | 6000PSI | 48TCHJ6 | |||||
| 8TCHJ6 | 6000PSI | 8TCHJ6 |
没有找到匹配的结果