SAE90度对焊法兰产品详情
暂无详细描述
SAE90度对焊法兰规格尺寸对照表
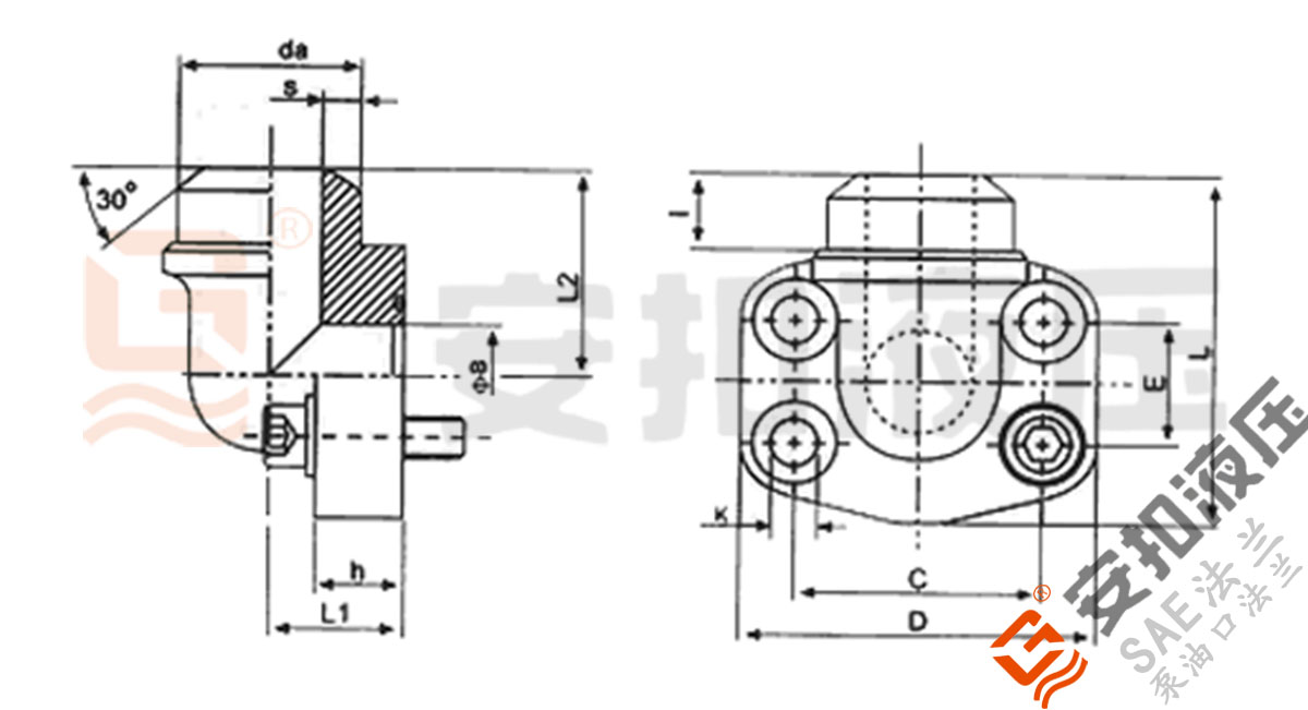
SAE90度对焊法兰产品图纸
12WDH3-O 型号说明:
暂无型号说明
Ordering code: 订货说明
| Carbon steel 碳钢 | Stainless steel 不锈钢 | |
|---|---|---|
|
Flange only 只有法兰
|
SAE90度对焊法兰 - 3000PSI
| Normal Size inch |
编号 Type |
尺寸 Measurement | 配用 附件 Accessories |
单重 kg |
最大工作 压力 Kg/cm² |
|||||||||
|---|---|---|---|---|---|---|---|---|---|---|---|---|---|---|
| B | C | D | E | H | K | L1 | L2 | da×s | 螺栓 Bolt | O形圈 Oring | ||||
| 3/4" | 12WDH3-O | 19.00 | 47.63 | 65 | 22.23 | 18.00 | 11.00 | 24.00 | 38.00 | 25×3、27.2×4、28×4 | M10x35 | 18.66ⅹ3.53 | 0.60 | 345 |
| 1" | 16WDH3-O | 25.00 | 52.37 | 70 | 26.19 | 19.00 | 11.00 | 28.00 | 43.00 | 30×4、35×4、38×5 | M10x35 | 18.66ⅹ3.53 | 0.80 | 345 |
| 1-1/4" | 20WDH3-O | 32.00 | 58.72 | 79 | 30.18 | 21.00 | 11.00 | 34.00 | 51.00 | 38×4、42.4×4、42.8×5.4 | M10x40 | 18.66ⅹ3.53 | 1.20 | 276 |
| 1-1/2" | 24WDH3-O | 38.00 | 69.85 | 93 | 35.71 | 25.00 | 13.50 | 38.00 | 56.00 | 42.4×4、48.3×4.5、48.6×5.3、50×6 | M12x45 | 18.66ⅹ3.53 | 1.65 | 207 |
| 2" | 32WDH3-O | 51.00 | 77.77 | 102 | 42.88 | 25.00 | 13.50 | 42.00 | 65.00 | 60.3×5.6、60.3×3、61×5 | M12x45 | 18.66ⅹ3.53 | 2.00 | 207 |
| 2-1/2" | 40WDH3-O | 60.00 | 88.90 | 115 | 50.80 | 25.00 | 13.50 | 50.00 | 77.00 | 77×7.1、77×8.5、77×10 | M12x45 | 18.66ⅹ3.53 | 1.65 | 207 |
| 1/2" | 8WDH3-O | 13.00 | 38.10 | 54 | 17.48 | 16.00 | 9.00 | 20.00 | 37.00 | 20×3、21.6×4.3、22×3、22×4 | M8x30 | 18.66ⅹ3.53 | 0.40 | 345 |
SAE90度对焊法兰 - 6000PSI
| Normal Size inch |
编号 Type |
尺寸 Measurement | 配用 附件 Accessories |
单重 kg |
最大工作 压力 Kg/cm² |
|||||||||
|---|---|---|---|---|---|---|---|---|---|---|---|---|---|---|
| B | C | D | E | H | K | L1 | L2 | da×s | M | O形圈 | ||||
| 3/4" | 12WDH6-O | 19.00 | 50.80 | 70 | 23.80 | 19.00 | 11.00 | 28.00 | 43.00 | 25×3、28×4、28×4.5、30×4 | M10x35 | 18.66ⅹ3.53 | 1.25 | 414 |
| 1" | 16WDH6-O | 25.00 | 57.15 | 81 | 27.76 | 21.00 | 13.00 | 34.00 | 51.00 | 28×4、30×5、34×4.5、35×5 | M12x40 | 18.66ⅹ3.53 | 1.50 | 414 |
| 1-1/4" | 20WDH6-O | 32.00 | 66.68 | 95 | 31.75 | 25.00 | 15.00 | 38.00 | 56.00 |
35×4、38×6、42.4×6、42.8×5 42.8×8 |
M14x45 | 18.66ⅹ3.53 | 1.80 | 414 |
| 1-1/2" | 24WDH6-O | 38.00 | 79.38 | 112 | 36.50 | 25.00 | 17.00 | 42.00 | 65.00 | 38×5、48.3×8、48.6×5.3、50×6 | M16x45 | 18.66ⅹ3.53 | 2.80 | 414 |
| 2" | 32WDH6-O | 51.00 | 96.82 | 134 | 44.45 | 29.00 | 21.00 | 45.00 | 75.00 |
60.3×10、61×5、61×8、61×9 65×9 |
M20x55 | 18.66ⅹ3.53 | 4.00 | 414 |
| 1/2" | 8WDH6-O | 13.00 | 40.49 | 54 | 18.24 | 16.00 | 9.00 | 20.00 | 37.00 | 20×3、21.6×4.5、22×4 | M8x30 | 18.66ⅹ3.53 | 0.50 | 414 |
SAE法兰型号对照表
13 条结果
| 规格尺寸 | 压力等级 | 型号 | 伊顿(EATON) | ANCHOR FLUID POWER Flanges | 汉莎(HANSA-FLEX) | 派克(Parker) | 西德福(STAUFF) |
|---|---|---|---|---|---|---|---|
| 12WDH3-O | 3000PSI | 12WDH3-O | |||||
| 16WDH3-O | 3000PSI | 16WDH3-O | |||||
| 20WDH3-O | 3000PSI | 20WDH3-O | |||||
| 24WDH3-O | 3000PSI | 24WDH3-O | |||||
| 32WDH3-O | 3000PSI | 32WDH3-O | |||||
| 40WDH3-O | 3000PSI | 40WDH3-O | |||||
| 8WDH3-O | 3000PSI | 8WDH3-O | |||||
| 12WDH6-O | 6000PSI | 12WDH6-O | |||||
| 16WDH6-O | 6000PSI | 16WDH6-O | |||||
| 20WDH6-O | 6000PSI | 20WDH6-O | |||||
| 24WDH6-O | 6000PSI | 24WDH6-O | |||||
| 32WDH6-O | 6000PSI | 32WDH6-O | |||||
| 8WDH6-O | 6000PSI | 8WDH6-O |
没有找到匹配的结果