SAE整体法兰夹产品详情
SAE法兰夹系列产品采用高强度材料制造,适用于各种液压系统。
SAE整体法兰夹规格尺寸对照表
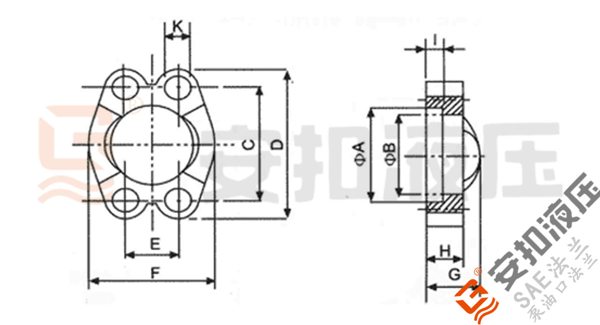
SAE整体法兰夹产品图纸
12DKZ3 型号说明:
8DKZ3 型号说明:8:指产品大小,8/16=0.5(1/2”)
DKZ:对开整体的拼音简写
3:压力级别3000PSI
Ordering code: 订货说明
| Carbon steel 碳钢 | Stainless steel 不锈钢 | |
|---|---|---|
|
Flange only 只有法兰
|
SAE整体法兰夹 - 3000PSI
| Normal Size inch |
编号 Type |
尺寸 Measurement | 配用 附件 Accessories |
单重 kg |
最大工作 压力 Kg/cm² |
||||||||||
|---|---|---|---|---|---|---|---|---|---|---|---|---|---|---|---|
| A | B | C | D | E | F | G | H | I | K | 螺栓 Bolt | UNC | ||||
| 3/4” | 12DKZ3 | 38.90 | 32.15 | 47.63 | 65 | 22.23 | 52.00 | 22.00 | 14.30 | 6.20 | 10.50 | M10 | 3/8 | 0.21 | 350 |
| 1” | 16DKZ3 | 45.25 | 38.80 | 52.37 | 70 | 26.19 | 59.00 | 24.00 | 16.00 | 7.50 | 10.50 | M10 | 3/8 | 0.25 | 315 |
| 1-1/4” | 20DKZ3 | 51.60 | 43.70 | 58.72 | 79 | 30.18 | 73.00 | 22.00 | 14.00 | 7.50 | 10.50 | M10 | 7/16 | 0.36 | 250 |
| 1-1/2” | 24DKZ3 | 61.10 | 50.80 | 69.85 | 94 | 35.72 | 83.00 | 25.00 | 16.00 | 7.50 | 13.50 | M12 | 1/2 | 0.48 | 200 |
| 2” | 32DKZ3 | 72.25 | 62.75 | 77.77 | 102 | 42.88 | 97.00 | 26.00 | 16.00 | 9.00 | 13.50 | M12 | 1/2 | 0.52 | 200 |
| 2-1/2” | 40DKZ3 | 84.95 | 74.95 | 88.90 | 114 | 50.80 | 109.00 | 38.00 | 19.00 | 9.00 | 13.50 | M12 | 1/2 | 0.85 | 160 |
| 3” | 48DKZ3 | 102.40 | 90.95 | 106.38 | 135 | 61.93 | 131.00 | 41.00 | 22.00 | 9.00 | 17.00 | M16 | 5/8 | 1.38 | 138 |
| 3-1/2” | 56DKZ3 | 115.10 | 102.40 | 120.65 | 152 | 69.85 | 140.00 | 28.00 | 22.00 | 10.70 | 17.00 | M16 | 5/8 | 1.50 | 35 |
| 4” | 64DKZ3 | 127.80 | 115.10 | 130.18 | 162 | 77.76 | 152.00 | 35.00 | 25.00 | 10.70 | 17.00 | M16 | 5/8 | 1.70 | 35 |
| 5” | 80DKZ3 | 153.20 | 140.50 | 152.40 | 184 | 92.08 | 181.00 | 41.00 | 28.00 | 10.70 | 17.00 | M16 | 5/8 | 2.50 | 35 |
| 1/2” | 8DKZ3 | 31.00 | 24.50 | 38.10 | 54 | 17.48 | 46.00 | 19.00 | 13.00 | 6.20 | 8.50 | M8 | 5/16 | 0.15 | 350 |
SAE整体法兰夹 - 6000PSI
| Normal Size inch |
编号 Type |
尺寸 Measurement | 配用 附件 Accessories |
单重 kg |
最大工作 压力 Kg/cm² |
||||||||||
|---|---|---|---|---|---|---|---|---|---|---|---|---|---|---|---|
| A | B | C | D | E | F | G | H | I | K | M | UNC | ||||
| 3/4” | 12DKZ6 | 42.10 | 32.50 | 50.80 | 71 | 23.80 | 60.00 | 28.00 | 19.00 | 8.25 | 10.50 | M10 | 3/8 | 0.35 | 400 |
| 1” | 16DKZ6 | 48.40 | 38.90 | 57.17 | 81 | 27.76 | 70.00 | 33.00 | 24.00 | 9.00 | 12.60 | M12 | 7/16 | 0.54 | 400 |
| 1-1/4” | 20DKZ6 | 54.80 | 44.50 | 66.68 | 95 | 31.75 | 78.00 | 38.00 | 27.00 | 9.80 | 14.50 | M14 | -- | 0.80 | 400 |
| 1-1/2” | 24DKZ6 | 64.30 | 51.60 | 79.38 | 113 | 36.50 | 95.00 | 43.00 | 30.00 | 12.00 | 17.00 | M16 | 5/8 | 1.40 | 400 |
| 2” | 32DKZ6 | 80.20 | 67.60 | 96.82 | 133 | 44.45 | 114.00 | 52.00 | 37.00 | 12.00 | 21.00 | M20 | 3/4 | 2.10 | 400 |
| 2-1/2” | 40DKZ6 | 108.90 | 90.00 | 123.80 | 180 | 58.73 | 152.00 | 45.00 | 45.00 | 20.50 | 25.00 | M24 | -- | 4.30 | 400 |
| 3” | 48DKZ6 | 132.50 | 115.00 | 152.40 | 215 | 71.43 | 198.00 | 55.00 | 55.00 | 25.50 | 31.50 | M30 | -- | 8.60 | 400 |
| 1/2” | 8DKZ6 | 32.55 | 24.65 | 40.49 | 56 | 18.24 | 48.00 | 22.00 | 16.00 | 7.20 | 8.50 | M8 | 5/16 | 0.19 | 400 |
SAE法兰型号对照表
19 条结果
| 规格尺寸 | 压力等级 | 型号 | 伊顿(EATON) | ANCHOR FLUID POWER Flanges | 汉莎(HANSA-FLEX) | 派克(Parker) | 西德福(STAUFF) |
|---|---|---|---|---|---|---|---|
| 12DKZ3 | 3000PSI | 12DKZ3 | FL-12W | 12SFW | VF3002 | FUSS33 | BM-302-W66 |
| 16DKZ3 | 3000PSI | 16DKZ3 | FL-16W | 16SFW | VF3003 | FUSS34 | BM-303-W66 |
| 20DKZ3 | 3000PSI | 20DKZ3 | FL-20W | 20SFW | VF3004 | FUSS35/10 | BM-304-M-W66 |
| 24DKZ3 | 3000PSI | 24DKZ3 | FL-24W | 24SFW | VF3005 | FUSS36 | BM-305-W66 |
| 32DKZ3 | 3000PSI | 32DKZ3 | FL-32W | 32SFW | VF3006 | FUSS38/12 | BM-306-W66 |
| 40DKZ3 | 3000PSI | 40DKZ3 | FL-40W | 40SFW | VF3007 | FUSS310 | BM-307-W66 |
| 48DKZ3 | 3000PSI | 48DKZ3 | FL-48W | 48SFW | VF3008 | FUSS312 | BM-308-W66 |
| 56DKZ3 | 3000PSI | 56DKZ3 | FL-56W | 56SFW | VF3009 | FUSS314 | BM-309-W66 |
| 64DKZ3 | 3000PSI | 64DKZ3 | FL-64W | 64SFW | VF3010 | FUSS316 | BM-310-W66 |
| 80DKZ3 | 3000PSI | 80DKZ3 | FL-80W | 80SFW | VF3011 | FUSS320 | BM-311-W66 |
| 8DKZ3 | 3000PSI | 8DKZ3 | FL-08W | 8SFW | VF3001 | FUSS32 | BM-301-W66 |
| 12DKZ6 | 6000PSI | 12DKZ6 | FS-12W | 12SFXW | VF6002 | FUSS63 | BM-602-W66 |
| 16DKZ6 | 6000PSI | 16DKZ6 | FS-16W | 16SFXW | VF6003 | FUSS64/12 | BM-603-W66 |
| 20DKZ6 | 6000PSI | 20DKZ6 | FS-20W | 20SFXW | VF6004 | FUSS65 | BM-604-W66 |
| 24DKZ6 | 6000PSI | 24DKZ6 | FS-24W | 24SFXW | VF6005 | FUSS66 | BM-605-W66 |
| 32DKZ6 | 6000PSI | 32DKZ6 | FS-32W | 32SFXW | VF6006 | FUSS68 | BM-606-W66 |
| 40DKZ6 | 6000PSI | 40DKZ6 | FS-40W | 40SFXW | VF6007 | FUSS610 | BM-607-W66 |
| 48DKZ6 | 6000PSI | 48DKZ6 | FS-48W | 48SFXW | VF6008 | FUSS612 | BM-608-W66 |
| 8DKZ6 | 6000PSI | 8DKZ6 | FS-08W | 8SFXW | VF6001 | FUSS62 | BM-601-W66 |
没有找到匹配的结果