SAE对开法兰夹产品详情
SAE法兰夹系列产品采用高强度材料制造,适用于各种液压系统。
SAE对开法兰夹规格尺寸对照表
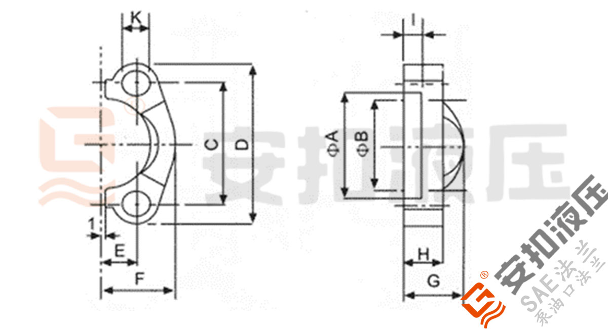
SAE对开法兰夹产品图纸
12DK3 型号说明:
8DK3 型号说明:8:指产品大小,8/16=0.5(1/2”)
DK:对开的拼音简写
3:压力级别3000PSI
Ordering code: 订货说明
| Carbon steel 碳钢 | Stainless steel 不锈钢 | |
|---|---|---|
|
Flange only 只有法兰
|
SAE对开法兰夹 - 3000PSI
| Normal Size inch |
编号 Type |
尺寸 Measurement | 配用 附件 Accessories |
单重 kg |
最大工作 压力 Kg/cm² |
||||||||||
|---|---|---|---|---|---|---|---|---|---|---|---|---|---|---|---|
| A | B | C | D | E | F | G | H | I | K | 螺栓 Bolt | UNC | ||||
| 3/4” | 12DK3 | 38.90 | 32.15 | 47.63 | 65 | 11.11 | 26.00 | 22.00 | 14.30 | 6.20 | 10.50 | M10 | 3/8 | 0.10 | 350 |
| 1” | 16DK3 | 45.25 | 38.80 | 52.37 | 70 | 13.09 | 29.50 | 24.00 | 16.00 | 7.50 | 10.50 | M10 | 3/8 | 0.12 | 315 |
| 1-1/4” | 20DK3 | 51.60 | 43.70 | 58.72 | 79 | 15.09 | 36.50 | 22.00 | 14.00 | 7.50 | 10.50 | M10 | 7/16 | 0.16 | 250 |
| 1-1/2” | 24DK3 | 61.10 | 50.80 | 69.85 | 94 | 17.86 | 41.50 | 25.00 | 16.00 | 7.50 | 13.50 | M12 | 1/2 | 0.25 | 200 |
| 2” | 32DK3 | 72.25 | 62.75 | 77.77 | 102 | 21.44 | 48.50 | 26.00 | 16.00 | 9.00 | 13.50 | M12 | 1/2 | 0.26 | 200 |
| 2-1/2” | 40DK3 | 84.95 | 74.95 | 88.90 | 114 | 25.40 | 54.00 | 38.00 | 19.00 | 9.00 | 13.50 | M12 | 1/2 | 0.42 | 160 |
| 3” | 48DK3 | 102.40 | 90.95 | 106.38 | 135 | 30.96 | 65.50 | 41.00 | 22.00 | 9.00 | 17.00 | M16 | 5/8 | 0.62 | 138 |
| 3-1/2” | 56DK3 | 115.10 | 102.40 | 120.65 | 152 | 34.93 | 70.00 | 28.00 | 22.00 | 10.70 | 17.00 | M16 | 5/8 | 0.71 | 35 |
| 4” | 64DK3 | 127.80 | 115.10 | 130.18 | 162 | 38.89 | 76.00 | 35.00 | 25.00 | 10.70 | 17.00 | M16 | 5/8 | 0.81 | 35 |
| 5” | 80DK3 | 153.20 | 140.50 | 152.40 | 184 | 46.04 | 90.50 | 41.00 | 28.00 | 10.70 | 17.00 | M16 | 5/8 | 1.15 | 35 |
| 1/2” | 8DK31 | 31.00 | 24.50 | 38.10 | 54 | 8.74 | 23.00 | 19.00 | 13.00 | 6.20 | 8.50 | M8 | 5/16 | 0.07 | 350 |
SAE对开法兰夹 - 6000PSI
| Normal Size inch |
编号 Type |
尺寸 Measurement | 配用 附件 Accessories |
单重 kg |
最大工作 压力 Kg/cm² |
||||||||||
|---|---|---|---|---|---|---|---|---|---|---|---|---|---|---|---|
| A | B | C | D | E | F | G | H | I | K | M | UNC | ||||
| 3/4” | 12DK6 | 42.10 | 32.50 | 50.80 | 71 | 11.90 | 30.00 | 28.00 | 19.00 | 8.25 | 10.50 | M10 | 3/8 | 0.17 | 400 |
| 1” | 16DK6 | 48.40 | 38.90 | 57.15 | 81 | 13.88 | 35.00 | 33.00 | 24.00 | 9.00 | 13.00 | M12 | 7/16 | 0.26 | 400 |
| 1-1/4” | 20DK6 | 54.80 | 44.50 | 66.68 | 95 | 15.88 | 39.00 | 38.00 | 27.00 | 9.80 | 14.50 | M14 | 1/2 | 0.40 | 400 |
| 1-1/2” | 24DK6 | 64.30 | 51.60 | 79.38 | 113 | 18.25 | 47.50 | 43.00 | 30.00 | 12.00 | 17.00 | M16 | 5/8 | 0.68 | 400 |
| 2” | 32DK6 | 80.20 | 67.60 | 96.82 | 133 | 22.23 | 57.00 | 52.00 | 37.00 | 12.00 | 21.00 | M20 | 3/4 | 1.05 | 400 |
| 2-1/2” | 40DK6 | 108.90 | 90.00 | 123.80 | 180 | 29.36 | 76.00 | 45.00 | 45.00 | 20.50 | 26.00 | M24 | -- | 2.10 | 400 |
| 3” | 48DK6 | 132.50 | 115.00 | 152.40 | 215 | 35.71 | 99.00 | 55.00 | 55.00 | 25.50 | 32.00 | M30 | -- | 4.00 | 400 |
| 1/2” | 8DK6 | 32.55 | 24.65 | 40.49 | 56 | 9.12 | 24.00 | 22.00 | 16.00 | 7.20 | 8.50 | M8 | 5/16 | 0.09 | 400 |
SAE法兰型号对照表
19 条结果
| 规格尺寸 | 压力等级 | 型号 | 伊顿(EATON) | ANCHOR FLUID POWER Flanges | 汉莎(HANSA-FLEX) | 派克(Parker) | 西德福(STAUFF) |
|---|---|---|---|---|---|---|---|
| 12DK3 | 3000PSI | 12DK3 | FL-12 | 12SF-2 | FH3002 | FHS33 | DB-302-W66 |
| 16DK3 | 3000PSI | 16DK3 | FL-16 | 16SF-2 | FH3003 | FHS34 | DB-303-W66 |
| 20DK3 | 3000PSI | 20DK3 | FL-20 | 20SF-2 | FH3004 | FHS35/10 | DB-304-M-W66 |
| 24DK3 | 3000PSI | 24DK3 | FL-24 | 24SF-2 | FH3005 | FHS36 | DB-305-W66 |
| 32DK3 | 3000PSI | 32DK3 | FL-32 | 32SF-2 | FH3006 | FHS38/12 | DB-306-W66 |
| 40DK3 | 3000PSI | 40DK3 | FL-40 | 40SF-2 | FH3007 | FHS310 | DB-307-W66 |
| 48DK3 | 3000PSI | 48DK3 | FL-48 | 48SF-2 | FH3008 | FHS312 | DB-308-W66 |
| 56DK3 | 3000PSI | 56DK3 | FL-56 | 56SF-2 | FH3009 | FHS314 | DB-309-W66 |
| 64DK3 | 3000PSI | 64DK3 | FL-64 | 64SF-2 | FH3010 | FHS316 | DB-310-W66 |
| 80DK3 | 3000PSI | 80DK3 | FL-80 | 80SF-2 | FH3011 | FHS320 | DB-311-W66 |
| 8DK31 | 3000PSI | 8DK31 | FL-08 | 8SF-2 | FH3001 | FHS32 | DB-301-W66 |
| 12DK6 | 6000PSI | 12DK6 | FS-12 | 12SFX-2 | FH6002 | FHS63 | DB-602-W66 |
| 16DK6 | 6000PSI | 16DK6 | FS-16 | 16SFX-2 | FH6003 | FHS64/12 | DB-603-W66 |
| 20DK6 | 6000PSI | 20DK6 | FS-20 | 20SFX-2 | FH6004 | FHS65 | DB-604-W66 |
| 24DK6 | 6000PSI | 24DK6 | FS-24 | 24SFX-2 | FH6005 | FHS66 | DB-605-W66 |
| 32DK6 | 6000PSI | 32DK6 | FS-32 | 32SFX-2 | FH6006 | FHS68 | DB-606-W66 |
| 40DK6 | 6000PSI | 40DK6 | FS-40 | 40SFX-2 | FH6007 | FHS610 | DB-607-W66 |
| 48DK6 | 6000PSI | 48DK6 | FS-48 | 48SFX-2 | FH6008 | FHS612 | DB-608-W66 |
| 8DK6 | 6000PSI | 8DK6 | FS-08 | 8SFX-2 | FH6001 | FHS62 | DB-601-W66 |
没有找到匹配的结果